- 液位儀表系列
- 流量儀表系列
- 物位儀表系列
- 壓力/液位/差壓/密度變送器
- 液位/溫度/壓力/流量-報警儀
- PLC/DCS自動化控制監控系統
- GPRS無線遠傳裝置
- 物位儀表系列
- 有紙/無紙記錄儀系列
- 溫度儀表系列
- 分析儀|檢測儀|校驗儀系列
全國銷售熱線:400-9280-163
電話:86 0517-86917118
傳真:86 0517-86899586
銷售經理:1560-1403-222 (丁經理)
??? ? ? ? 139-1518-1149 (袁經理)
業務QQ:2942808253 / 762657048
網址:http://m.meyali.com
電話:86 0517-86917118
傳真:86 0517-86899586
銷售經理:1560-1403-222 (丁經理)
??? ? ? ? 139-1518-1149 (袁經理)
業務QQ:2942808253 / 762657048
網址:http://m.meyali.com
氧化鋯氧量分析儀

一、用途
RZ-ZOY-4系列智能氧化鋯氧量分析儀是一種實用可靠的自動化分析儀表。能與各種電動單元儀表、常規顯示記錄儀表及DCS集散控制系統配合作用,可對鍋爐、窯爐、加熱爐等燃燒設備在燃燒過程中所產生的煙氣含量進行快速、正確的在線檢測分析。以實現低氧燃燒控制,達到節能目的,減少環境污染。
RZ-ZOY-4系列智能氧化鋯氧量分析儀有ZOY型氧化鋯探頭(一次儀表)和ZOY氧量變送器(二次儀表)二部分組成。
二、工作原理
1、氧化鋯鋯管是一種金屬氧化物,在高溫下形成固態電解質具有傳導氧離子的特性。被測氣體(煙氣)通過探頭過濾器,進入氧化鋯鋯管的內側,參比氣體(空氣)通過自然對流進入探頭氧化鋯鋯管的外側。當鋯管內外側氧濃度不同時,在氧化鋯鋯管內外兩側間會產生氧濃差電動勢。(見圖一)

這種氧濃差電動勢可用奈斯特(Nerast)公式表示如下:

式中:EZ—氣濃差電動勢,單位mV
R—理想氣體常數,8.314焦耳/度·克分子
T—**工作溫度K,273.16+T℃
n—參加反應的電子數,為4
F—法拉弟常數,96500庫侖
PA—參比氣體(空氣)嘗試取20.6%
PO—被測氣體(煙氣)濃度,單位%
在參比氣體氣體確定下,氧化鋯探頭輸出的氣深度差電動勢Ez僅于探頭工
作溫度和被測氣體濃度成函數對應關系。
2、ZOY型氣量變送器主要作用就是將氣化鋯探頭輸出的氣濃差電動勢Ez轉
換成與被測煙氣含氣量成線性關系的電流信號輸出。
型號規格及技術指標
3.1 型號規格


RZ-ZOY-4系列智能氧化鋯氧量分析儀是一種實用可靠的自動化分析儀表。能與各種電動單元儀表、常規顯示記錄儀表及DCS集散控制系統配合作用,可對鍋爐、窯爐、加熱爐等燃燒設備在燃燒過程中所產生的煙氣含量進行快速、正確的在線檢測分析。以實現低氧燃燒控制,達到節能目的,減少環境污染。
RZ-ZOY-4系列智能氧化鋯氧量分析儀有ZOY型氧化鋯探頭(一次儀表)和ZOY氧量變送器(二次儀表)二部分組成。
二、工作原理
1、氧化鋯鋯管是一種金屬氧化物,在高溫下形成固態電解質具有傳導氧離子的特性。被測氣體(煙氣)通過探頭過濾器,進入氧化鋯鋯管的內側,參比氣體(空氣)通過自然對流進入探頭氧化鋯鋯管的外側。當鋯管內外側氧濃度不同時,在氧化鋯鋯管內外兩側間會產生氧濃差電動勢。(見圖一)

這種氧濃差電動勢可用奈斯特(Nerast)公式表示如下:

式中:EZ—氣濃差電動勢,單位mV
R—理想氣體常數,8.314焦耳/度·克分子
T—**工作溫度K,273.16+T℃
n—參加反應的電子數,為4
F—法拉弟常數,96500庫侖
PA—參比氣體(空氣)嘗試取20.6%
PO—被測氣體(煙氣)濃度,單位%
在參比氣體氣體確定下,氧化鋯探頭輸出的氣深度差電動勢Ez僅于探頭工
作溫度和被測氣體濃度成函數對應關系。
2、ZOY型氣量變送器主要作用就是將氣化鋯探頭輸出的氣濃差電動勢Ez轉
換成與被測煙氣含氣量成線性關系的電流信號輸出。
型號規格及技術指標
3.1 型號規格

3.2 技術指標
① 基本誤差:<±2%F•S,儀表精度1級
② 量 程:0~5%O2;0~10%O2;0~20%O2;0~25%O2
③ 本底修正:-20mV~+20mV
④ 被測煙氣溫度:ZOY-4型低于700℃(低溫型)ZOY-5型700~1200℃(高溫型)
⑤ 輸出信號:可擴展雙路隔離輸出,0~10mADC和4~20mADC,采取光電隔離,直接和計算機聯網。
⑥ 負載能力:0 ~1.2ΚΩ或0~600Ω
⑦ 環境條件:0~50℃;相對濕度<90%
⑧ 電 源:220V±10%,50Hz
⑨ 功 耗:變送器約8W,加熱爐平均約50W
⑩ 響應時間:90%約3秒
氧化鋯探頭加熱爐升溫時間:約20分鐘
氧化鋯探頭壽命:氧化鋯管按國際GB11169-89保用一年。主體壽命5年以上。
3.3 規格尺寸
① 氧化鋯探頭的外形尺寸:單位mm (圖二)
L=400、800、1200

3.3 規格尺寸
① 氧化鋯探頭的外形尺寸:單位mm (圖二)
L=400、800、1200

3.4鋯頭及變送器接線
①鋯頭的端子接線圖
② 變送器接線
四、儀表操作,前面板


參數功能
Loc:若要設置以下參數,先把Loc設置為808,設置結束后,可把Loc設置為其他值,防止誤操作改變設置值
dA:等于零電流輸出為0~10mA,不等于零電流輸出為4~20mA
SC:為傳感器氧電勢遷移值單位為mV
dIL:0 — +20.00,線性輸入零點顯示值
dIH:0 — +20.00,線性輸入滿度顯示值
對應dIL~dIH,7、8腳輸出電流4~20mA
CC:加熱溫度設定值,當溫度達到設定值時,儀表自動停止加熱并保持此溫度。
五、氧化鋯探頭的安裝
氧化鋯探頭安裝
⑴ 安裝點的選擇:
探頭安裝點的煙氣溫度應符合小于600℃的要求,一般來說,煙氣溫度低,探頭使用壽命長,煙氣溫度高,使用壽命短。探頭不能安裝在煙氣不流動的死角,也不能安裝在煙氣流動很快的地方(如有些旁路氣道的擴容腔內)。
另外要求煙道漏氣較小,探頭安裝維修方便,對于中、小型鍋爐,建議安裝在省煤器前過熱器后,因為鍋爐系統煙氣流向從爐膛到汽包,經過過熱器、省煤器、空氣預熱器,由引風機經回收處理后從煙囪排放。如果測點過于靠近煙氣爐膛出口,由于溫度過高,流速較快,將對探頭不銹鋼外殼形成沖刷腐蝕,減短使用壽命;如果測點過于偏后,由于煙道系統中漏氣現象,將造成測點處氧量值偏高,不能如實反映爐膛中的煙氣氧量。
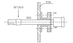
⑵ 爐墻上的探頭固定法蘭:
用鋼材做成如圖六形狀的過渡架,過渡架的法蘭能直接焊在爐墻外壁上或埋入爐墻中,但要求氣密牢固。過渡架另一端法蘭是為固定檢測器而設,因此必須與檢測器固定法蘭的螺孔相匹配。如果用Ф12mm安裝孔,則在過渡法蘭的Ф130mm圓上均布四個Ф12mm安裝孔,使用4個M10×40的螺絲,將它與檢測器的固定法蘭緊固,為防止漏氣,兩法蘭間可填充橡膠紙板密封圈。
⑶ 探頭的安裝:
探頭的參比氣是靠空氣自然對流提供的,探頭需水平安裝,參比氣和標準氣接口相應朝下,探頭安裝法蘭和過渡架法蘭之間必須填橡膠紙板,以免空氣漏入煙道,影響測量準確度。
探頭端頭必須離鍋爐內壁150mm以上,使過濾器的多孔陶瓷暴露部份背對煙氣的流向(過濾器方向可單獨轉動)以避免陶瓷體受氣體沖刷,延長使用壽命。
當探頭推入煙道時,為防止鋯管爆裂,宜分段逐步推入,一般以10~20厘米/分鐘為好。(見圖七)

(圖六 探頭的安裝)

(圖七 過度架法蘭)

(圖六 探頭的安裝)

(圖七 過度架法蘭)
附表一
氧量電勢溫度對照表

附表二
氧氣勢、氧量百分比與輸出電流對照表

氧化鋯氧量分析儀產品咨詢、選型、報價, 咨詢電話:0517-86917118,手機: 1560-1403-222
- 相關文章
-
- 高頻雷達料位計采用萬向型法蘭安裝與吹掃裝置要注意哪些因素 【2025-08-06】
- 80G 高頻雷達物位計液位計適用于泡沫和攪拌工況的原因分析 【2025-08-06】
- 80G高頻雷達液位計防腐防爆耐高溫的功能是如何實現的? 【2025-07-23】
- 高頻雷達液位計在石油行業液位測量應用中的優勢有哪些 【2025-07-17】








